
| Марка арматуры | Сечение провода, мм² | Кол-во болтов, шт | Размеры, мм | Вес, кг | |||
|---|---|---|---|---|---|---|---|
| a | h | b | L3 | ||||
| ЖОС-117-1 | 35–50 | 4 | 40 | 65 | 6 | 65 | 0,38 |
| ЖОС-117-2 | 70–95 | 4 | 40 | 80 | 6 | 80 | 0,43 |
| ЖОС-117-3 | 120–150 | 6 | 50 | 85 | 8 | 125 | 0,69 |
| ЖОС-117-4 | 185–240 | 6 | 50 | 85 | 8 | 125 | 0,78 |
![]() | Проектируем и производим продукцию по тех. заданию клиента |
![]() | Выполняем заказы в сжатые сроки при согласованных условиях |
![]() | Фиксируем цены и обеспечиваем приоритетное выполнение заказов |
![]() | Работаем с отсрочкой оплаты на договорных условиях |

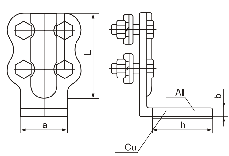
| Марка арматуры | Сечение провода, мм² | Кол-во болтов, шт | Размеры, мм | Вес, кг | |||
|---|---|---|---|---|---|---|---|
| a | h | b | L3 | ||||
| ЖОС-117-1 | 35–50 | 4 | 40 | 65 | 6 | 65 | 0,38 |
| ЖОС-117-2 | 70–95 | 4 | 40 | 80 | 6 | 80 | 0,43 |
| ЖОС-117-3 | 120–150 | 6 | 50 | 85 | 8 | 125 | 0,69 |
| ЖОС-117-4 | 185–240 | 6 | 50 | 85 | 8 | 125 | 0,78 |
Инженеры АО «АИЗ» помогут подобрать изоляторы и комплектующие под конкретные условия эксплуатации и требования проекта.
Проконсультируем по замене изделий, подбору аналогов, нагрузкам, климатическому исполнению и нормативным требованиям.
МО, Лыткарино, ул. Парковая 1 |
По любым вопросам |
Московская область, Лыткарино, ул. Парковая 1 Посмотреть на карте |
