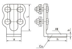
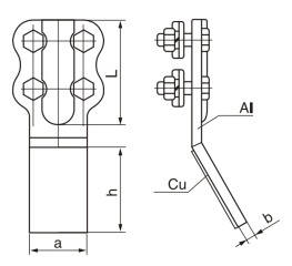
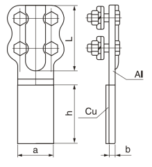
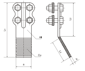
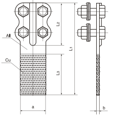
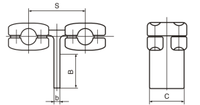
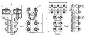
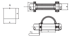
Арматура жёсткой ошиновки ЖОС предназначена для соединения, ответвления и фиксации проводников в составе подстанционного оборудования. Изделия применяются при строительстве новых подстанций, реконструкции и ремонте действующих объектов, а также в любых случаях, где требуется использование современных типов соединительной подстанционной арматуры, независимо от наличия жёсткой ошиновки.
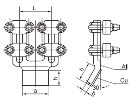
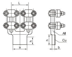
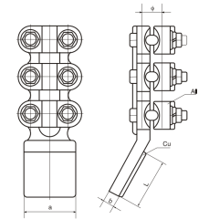
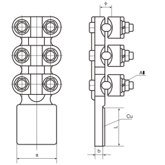
Большинство элементов арматуры ЖОС использует болтовые соединения, оптимальные для условий подстанций. Такая конструкция обеспечивает быстрый и удобный монтаж без необходимости разрезания проводов и выполнения опрессовки в большинстве случаев. Болтовые соединения позволяют эффективно проводить тепловизионный контроль оборудования, своевременно выявляя возможные ослабления контактов и отклонения в работе.
Технологические решения и взаимодействие с проектными организациями
Для повышения надёжности электрических соединений в арматуре жёсткой ошиновки применяется специальная контактная смазка, разработанная для подстанционных условий эксплуатации. Использование смазки позволяет снизить контактное сопротивление более чем в 100 раз и приблизить болтовое соединение по характеристикам к монолитному сварному. Срок стабилизации контактного сопротивления при применении смазки ЭПОС-250 превышает 10 лет.
АО «АИЗ» активно сотрудничает с проектными организациями и готово оперативно разрабатывать новые типы арматуры жёсткой ошиновки с учётом требований конкретных проектов. Специалисты предприятия оказывают поддержку в проектировании, внедрении и применении решений ЖОС на объектах электросетевого комплекса.







































