ЖОС-129
ЖОС-129
Арт.: 
Зажим медно-алюминиевый болтовой аппаратный на два провода
Характеристики
 / шт
Экономия 0%
Укажите количество
+
Сумма:
Узнать о поступлении
Запрос коммерческого предложения
Для получения коммерческого предложения, уточнения сроков изготовления и условий поставки вы можете направить запрос специалистам АО «АИЗ»
Наши преимущества
Проектируем и производим продукцию по тех. заданию клиента
Выполняем заказы в сжатые сроки при согласованных условиях
Фиксируем цены и обеспечиваем приоритетное выполнение заказов
Работаем с отсрочкой оплаты на договорных условиях
Обозначение продукции
2026-02-28_03-43-03.png
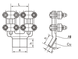
Зажим применяется для присоединения к медным выводам аппаратов или выводам плакированным медью. Лапка зажима полностью медная. Соединение медной лапки с алюминиевой частью монолитное. Соединение с проводом болтовое. Отверстия в лапке прокалываются специальным инструментом на месте монтажа или заказываются на заводе. Инструмент возможно также заказать на нашем заводе.
Марка арматурыСечение провода, мм²Кол-во болтов, штРазмеры, ммВес, кг
ahbL
ЖОС-129-4-120185–24048080141204,7
ЖОС-129-5-120300–4004100100161205,7
ЖОС-129-6-120500–6306125125201206,5
ЖОС-129-4-200185–24048080142004,9
ЖОС-129-5-200300–4006100100162005,4
ЖОС-129-6-200500–6306125125202006,8
ЖОС-129-7-200700–8006125125222007,7
Примечание
Информация на сайте носит исключительно информационно-рекламный характер и не является публичной офертой.

О нашем заводе
АО «АИЗ» — российский завод-производитель высоковольтных полимерных изоляторов и линейной арматуры с 1999 года. Предприятие располагает собственным конструкторским бюро и полным циклом разработки и производства продукции для объектов электросетевого комплекса.

В числе постоянных заказчиков предприятия топливно-энергетического комплекса, проектные и научные организации, поставщики оборудования, в том числе филиалы ОАО «ФСК ЕЭС», ООО «НПЦ «Энерком-Сервис», ОАО «Кузбассэнерго», ОАО «ТГК-5», ОАО «ТГК13», ЗАО «ЗЭТО», ЗАО ГК «Электрощит-Самара», ООО «Волгоградсетьстрой», ОАО «МРСК Севера-Заnада»,
ОАО «ОГК-2», ЗАО «ЧЭМЗ» и многие другие.
Консультация инженера AO "АИЗ"
Задайте вопрос

Инженеры АО «АИЗ» помогут подобрать изоляторы и комплектующие под конкретные условия эксплуатации и требования проекта.
Проконсультируем по замене изделий, подбору аналогов, нагрузкам, климатическому исполнению и нормативным требованиям.

Консультация проводится на основании технического задания или параметров объекта и не обязывает к заказу
Позвоните нам!
Личный кабинет
Вам будет доступна история заказов, управление рассылками, свои цены и скидки для постоянных клиентов и прочее.
Ваш логин
Ваш пароль
МО, Лыткарино, ул. Парковая 1
По любым вопросам
Московская область, Лыткарино, ул. Парковая 1
Посмотреть на карте