ЖОС-44
ЖОС-44
Арт.: 
Терминал жесткой ошиновки одинарный
Характеристики
 / шт
Экономия 0%
Укажите количество
+
Сумма:
Узнать о поступлении
Запрос коммерческого предложения
Для получения коммерческого предложения, уточнения сроков изготовления и условий поставки вы можете направить запрос специалистам АО «АИЗ»
Наши преимущества
Проектируем и производим продукцию по тех. заданию клиента
Выполняем заказы в сжатые сроки при согласованных условиях
Фиксируем цены и обеспечиваем приоритетное выполнение заказов
Работаем с отсрочкой оплаты на договорных условиях
Обозначение продукции
2026-02-28_03-43-03.png
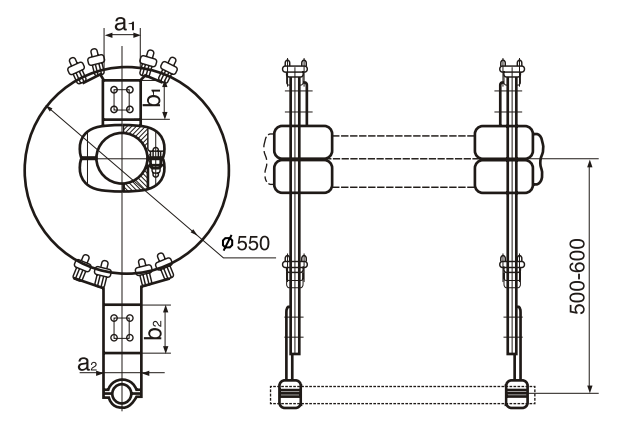
Терминал предназначен для осуществления ответвления от магистральной круглой шины на выводы аппаратов или другую алюминиевую трубу жесткой ошиновки. Терминал выполняет также функцию виброгашения и уменьшения коронирования благодаря кольцу. Терминал состоит из виброкольца ЖОС-47, зажимов ЖОС-7. При необходимости другой конфигурации терминала возможно использование виброкольца с другой арматурой жесткой ошиновки.
Марка арматурыДиаметр алюминиевой шины, ммРазмеры, ммТип провода кольца
a1b1a2b2
ЖОС-44-7070/6480110100120АС185-240
ЖОС-44-8080/7280110100120АС185-240
ЖОС-44-9090/8080110100120АС185-240
ЖОС-44-100100/90100110100120АС185-240
ЖОС-44-110110/100100110100120АС185-240
ЖОС-44-120120/110100110100120АС185-240
ЖОС-44-130130/116125185100190АС185-240
ЖОС-44-150150/136125185100190АС185-240
ЖОС-44-170170/156125185100190АС185-240
Примечание
Информация на сайте носит исключительно информационно-рекламный характер и не является публичной офертой.

О нашем заводе
АО «АИЗ» — российский завод-производитель высоковольтных полимерных изоляторов и линейной арматуры с 1999 года. Предприятие располагает собственным конструкторским бюро и полным циклом разработки и производства продукции для объектов электросетевого комплекса.

В числе постоянных заказчиков предприятия топливно-энергетического комплекса, проектные и научные организации, поставщики оборудования, в том числе филиалы ОАО «ФСК ЕЭС», ООО «НПЦ «Энерком-Сервис», ОАО «Кузбассэнерго», ОАО «ТГК-5», ОАО «ТГК13», ЗАО «ЗЭТО», ЗАО ГК «Электрощит-Самара», ООО «Волгоградсетьстрой», ОАО «МРСК Севера-Заnада»,
ОАО «ОГК-2», ЗАО «ЧЭМЗ» и многие другие.
Консультация инженера AO "АИЗ"
Задайте вопрос

Инженеры АО «АИЗ» помогут подобрать изоляторы и комплектующие под конкретные условия эксплуатации и требования проекта.
Проконсультируем по замене изделий, подбору аналогов, нагрузкам, климатическому исполнению и нормативным требованиям.

Консультация проводится на основании технического задания или параметров объекта и не обязывает к заказу
Позвоните нам!
Личный кабинет
Вам будет доступна история заказов, управление рассылками, свои цены и скидки для постоянных клиентов и прочее.
Ваш логин
Ваш пароль
МО, Лыткарино, ул. Парковая 1
По любым вопросам
Московская область, Лыткарино, ул. Парковая 1
Посмотреть на карте